新闻中心

实时更新中芯汇金最新动态,了解中芯汇金

一文读懂半导体基础知识

发布时间 :2024-04-26 18:00:37


本文用通俗易懂的语言生动地介绍了半导体领域的一些基础概念。


半导体是这两年国家重点发展的行业,到底什么是半导体?


生活中所有的物体按照导电性大致可分为三类:导体、半导体、绝缘体。这个很好理解,物体要么导电,要么不导电,要么有一点点导电,正是这种半推半就、不清不楚的物质给物理学家不同的发挥空间。


太绝对的导电和不导电的物质没什么意思,而在不同情况下导电性发生变化的东西才是有意思的。


来张图直观看看物体的导电性:


一文读懂半导体基础知识(图1)


按照导电性可分为:


绝缘体:电导率很低,约介于20E-18S/cm~10E-8S/cm,如熔融石英及玻璃;


导 体:电导率较高,介于10E4S/cm~10E6S/cm,如铝、银等金属。
半导体:电导率则介于绝缘体及导体之间。


自然界中常见的元素半导体有硅、锗,据说锗基半导体比硅基半导体还要更早发现和应用,但是硅的天然优势就是便宜!


自然界中常见的沙石就含有大量的硅元素!


即使自然界中硅砂很多,但硅砂中包含的杂质太多,缺陷也太多,不能直接拿来用,需要对它进行提炼。


怎么提炼?一个字——烧!


正如初中化学所学的,进行氧化还原反应。


② SiC + SiO2 →Si(固体)+ SiO2(气体)+ CO(气体)


②Si(固体)+ 3HC →SiHCl3(气体)+ H2(气体)


③ SiHCl3(气体)+ H2(气体)→ Si(固体)+ 3HCl(气体)


经过三次高温化学反应后,我们得到了固体硅,但这时候的硅是多晶硅。


啥是多晶硅?


如同我们剥橘子的时候,里面有很多瓣橘子(多晶橘子),而且不同瓣的橘子味道不一样(晶体方向),我们要选味道最好的一瓣橘子,选出来让这瓣橘子单独长大!


一文读懂半导体基础知识(图2)


怎么让一个小的单晶单独长大呢?


物理学家还是很聪明的,发明了一种长单晶的办法,叫柴可拉斯基法,可能方法就是以这名科学家名字命名的。


行业也有一种直观的称呼,叫提拉法!


因为在长单晶时就是把小的晶体往上拔!拔的时候速度有点慢,来看看这个装置:


一文读懂半导体基础知识(图3)


图中的这个蓝色的圆棒就是单晶硅,在提拉的时候一边旋转一边往上拔,提拉法长出来的晶锭就是圆柱体了。


一文读懂半导体基础知识(图4)


再将长好的晶锭采用机械刀片进行切割,切成一片一片的圆盘状,便成了晶圆。
有没有很眼熟?


晶圆就是这样被生产出来了。虽然我们得到了晶圆,此时的单晶硅电化学性能还不行,不能直接用来做芯片,工程师们于是想办法改造单晶硅的电化学性能。


如何改造单晶硅呢?


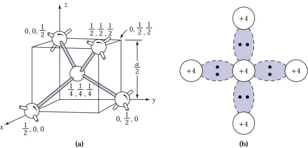
先深入了解一下硅元素,在元素周期表中,硅排列在第14位,硅原子最外层有4个电子,分别与周围4个原子共用4对电子,这种共用电子对的结构称为共价键(covalent bonding)。


一文读懂半导体基础知识(图5)


每个电子对组成一个共价键,这部分知识初中化学学过。


再来张图片直观看看:


一文读懂半导体基础知识(图6)


左边这张图是单晶硅的晶体结构,为金刚石晶体结构。右边这张图是硅原子共用电子的情况,中间一个硅原子和四个硅兄弟共用电子。


突然有一天,有个物理学家想到一个问题,要是硅家不是和硅兄弟共用电子,把其他兄弟拉进群会怎样?


物理学家有一天把砷兄拉进了群,于是奇迹发生了:


一文读懂半导体基础知识(图7)

砷兄弟最外层有5个电子,其中4个电子找到了硅家的对象,另外一个电子单着了,这个电子成了无业游民,到处流窜,由于电子带有电荷,于是改变了硅家的导电性。


此时的砷原子多提供了一个电子给硅家,因此砷原子被称为施主。


硅家的自由电子多了以后,带负电的载流子增加,硅变成n型半导体。


为啥叫N型?在英文里Negative代表负,取这个单词的第一个字母,就是N。


同样,物理学家想,既然可以拉电子多的砷元素进群,那么是否也可以拉电子少的硼原子进群?于是物理学家把硼原子拉进来试试。


一文读懂半导体基础知识(图8)


由于硼原子最外层只有3个电子,比硅少一个,于是本来2对电子的共价键现在成了只有一对电子,多了一个空位,成了带正电的空穴(hole)。


此时的硅基半导体被称为p型半导体,同样P来自英文单词Positive(正极)的首字母,而硼原子则被称为受主。


正是在硅单晶中加入的原子不同,便形成了N型半导体和P型半导体。


下图是加入元素碲(最外层5个电子)和元素硼(最外层3个电子)后,形成的P型和N型半导体。


一文读懂半导体基础知识(图9)


当我们有了单晶硅,并且可以想办法将单晶硅表面氧化成二氧化硅。二氧化硅可作为许多器件结构的绝缘体,或在器件制作过程中作为扩散或离子注入的阻挡层。如在p‒n结的制造过程中,二氧化硅薄膜可用来定义结的区域。来张示意图看看,(a)显示无覆盖层的硅晶片,正准备进行氧化步骤,图(b)只显示被氧化晶片的上表层。


一文读懂半导体基础知识(图10)

有了P型和N型半导体的理论知识,还可以玩点复杂的,对二氧化硅表面进行改造,改造成我们想要的图形,比如画只猫,画朵花等…


对晶圆表面进行改造的办法就是光刻!

光刻那不是要用到高端光刻机?


不如先看看光刻的原理:


利用高速旋涂设备(spinner),在晶片表面旋涂一层对紫外(UV)光敏感的材料,称为光刻胶(photoresist)。将晶片从旋涂机拿下之后在80ºC~100ºC之间烘烤,以驱除光刻胶中的溶剂并硬化光刻胶,加强光刻胶与晶片的附着力。接下来使用UV光源,通过有图案的掩模版对晶片进行曝光。然后,使用缓冲氢氟酸作酸刻蚀液来移除没有被光刻胶保护的二氧化硅表面。最后,使用化学溶剂或等离子体氧化系统剥离(stripped)光刻胶。看看示意图:


一文读懂半导体基础知识(图11)


文字说的有点复杂,直观理解有点像刻印章,先在石头上用颜料涂个模型,然后按照模型的尺寸进行雕刻,基本是这个道理。印章有阳刻和阴刻的区别,晶圆也是这样,根据光刻胶的选取不同,也能实现阳刻和阴刻,人们选用的光刻胶称为正胶和负胶。


一文读懂半导体基础知识(图12)


光刻后的硅表面暴露于外界中,此时物理学家在这个硅表面通过不同方法加入其它元素,称为离子注入。


因为注入B或者As离子以后,这些离子加入到硅家以后改变了硅家的传统,硅的电化学性能发生了改变,此时的半导体叫做非本征(extrinsic)半导体。而由P型半导体和N型半导体接触形成的结称为p-n结!我们在掺杂完成以后,需要想办法将这个半导体的性能引出,于是将这个半导体表面金属化,欧姆接触(ohmic contact)和连线(interconnect)在接着的金属化步骤完成,金属薄膜可以用PVD或CVD来形成。随着金属化的完成,p‒n结就可以工作了!


那么,我们常常听的P-N结到底是何方神圣?


(1)PN结的原理


下面左图是一个P型半导体和一个N型半导体,它们独立存在时对外不显电性。


一文读懂半导体基础知识(图13)

将它俩拼接在一起,你看看我,我看看你,P家的空穴想去N家串串门,N家的电子也想去P家看看。


它们分别往对方的阵地走,走着走着它们猛然发现,电子可以掉进空穴里,空穴可以完全接纳电子,在它们碰到的地方既没有了空穴,也没有了电子(因为复合了),这个区域称为耗尽区。


一文读懂半导体基础知识(图14)

既然中间有了耗尽区,电子也跑不动了,空穴也跑不动了。


我们给这些电子加把力,把它往前推一下会怎么样呢?


怎么推?那就给这个P-N结外加一个电场,有电场就有了电子的流动。


当人们把P型半导体接入正极,N型半导体接入负极时,如下图这样:


一文读懂半导体基础知识(图15)


外加电压使P区的电位高于N区的电位,称为加正向电压,简称正偏;


PN 结加正向电压时,PN结变窄,正向电流较大,正向电阻较小,PN结处于导通状态。


有人又提出想法,如果把正负极反过来接在PN结上会怎样?


将外加电压使P区的电位低于N区的电位,称为加反向电压,简称反偏;


一文读懂半导体基础知识(图16)

PN 结加反向电压时,PN结变宽,反向电流较小,反向电阻较大,PN结处于截止状态。


通过对P-N结施加不同方向的电压,得到:


(1)PN结加正向电压时,呈现低电阻,具有较大的正向扩散电流,PN结导通。


(2)PN结加反向电压时,呈现高电阻,具有很小的反向漂移电流,PN结截止。


由此可以得出结论:PN结具有单向导电性。


因此,PN结的电流电压曲线就像下面这样:


一文读懂半导体基础知识(图17)


(2)二极管的原理


在科学家发明了PN结,并找到PN结的特性以后,就要开始进入实用化阶段了。
在PN结加上管壳和引线,就成为半导体二极管。


二极管的构造如下图:


一文读懂半导体基础知识(图18)


二极管符号也很常见:


一文读懂半导体基础知识(图19)

基于二极管的单向导通特性,可以用它来进行整流、检波、限幅、钳位、开关、元件保护、温度补偿等。


举个二极管半波整流的例子,在电路中使用二极管后,电压可以正向通过,无法反向通过,因此留下正向半波电压。


一文读懂半导体基础知识(图20)

二极管除了使用正向偏压的功能外,人们发现二级管的反向偏压也有一定用途。


一文读懂半导体基础知识(图21)


二级管在工作时加反向电压,称作稳压管。稳压管反向击穿后,电流变化很大,但其两端电压变化很小,利用此特性,稳压管在电路中可起稳压作用。


因此,我们可得到结论:


(1)二极管加正向电压(正向偏置,阳极接正、阴极接负 )时, 二极管处于正向导通状态,二极管正向电阻较小,正向电流较大。


(2) 二极管加反向电压(反向偏置,阳极接负、阴极接正 )时, 二极管处于反向截止状态,二极管反向电阻较大,反向电流很小。


(3)外加电压大于反向击穿电压二极管被击穿,失去单向导电性。


(4)二极管的反向电流受温度的影响,温度愈高反向电流愈大。


(3)三极管的原理


将P型半导体和N型半导体拉在一起排成PNP或者NPN队形,就形成了三极管,半导体三极管的结构示意图如下所示:


一文读懂半导体基础知识(图22)

三级管的三个电极分别叫做发射极、集电极和基极。


如果将三级管做成半导体器件,其内部构造如下图所示:


一文读懂半导体基础知识(图23)


三极管也叫做双极性晶体管。


有了二级管和三极管的雏形,其余半导体器件都是基于对二级管及三级管的改造、升级、优化!


PN结是一切半导体器件的基础,就如同大米和面粉是粮食的基础,面粉可以做成包子、馒头、面包、面条…



分享到微信朋友圈 ×

免费咨询

*姓名:
*手机:
邮箱:
区域:
您的问题:

感谢您的关注,您有任何问题都可以在此留下信息,中芯汇金会及时为您提供帮助。

提交